Skip to main content
MY26 YCF RANGE IS HERE!
YCF Australia
  • Models
    • YCF Electric Balance Bikes YCF Electric Balance Bikes
    • SUNDAY MOTORS SUNDAY MOTORS
    • LIMITED EDITION LIMITED EDITION
    • 50 50
    • ELECTRIC ELECTRIC
    • LITE LITE
    • START START
    • PILOT PILOT
    • FACTORY FACTORY
    • BIGY BIGY
    • SM (SUPERMOTO) SM (SUPERMOTO)
    • YCF GP YCF GP
  • Shop Parts & Accessories
    • Air Filters
    • Bash Plates
    • Batteries
    • Bearings
    • Bling Parts
    • Brake Discs & Pads
    • Brake Pedals
    • Brake Systems
    • Cables & Hoses
    • Carbies
    • CDI's
    • Chains & Guides
    • Clearance
    • Clutch
    • Cylinder & Cyl Heads
    • Daytona Parts
    • Electrical
    • Engine Cases & Covers
    • Engine Parts
    • Exhausts
    • Footpegs
    • Frame Parts
    • Front Forks
    • Fuel Caps
    • Fuel Line
    • Fuel Tanks
    • Gaskets & Seals
    • Gear Levers
    • Gearbox
    • Graphics Kits
    • Grips
    • Handguards
    • Handlebars
    • Levers
    • Lighting
    • Merchandise
    • Oil Coolers
    • Oil Filters
    • Paddock Accessories
    • Piston Kits
    • Plastic kits
    • Plastics
    • Rear Shock
    • Seats
    • Spark Plugs
    • Sprockets
    • Starting
    • Sub-Frames
    • Supermoto
    • Swingarms
    • Throttles
    • Timing
    • Tools
    • Triple Clamps
    • Tyres & Tubes
    • Wheels
    • YCF Complete Engines
    • GenuineParts Finder
    • Shop AllParts and Accessories
    • Gift Vouchers
    • Clearance
  • Find A Dealer
  • Catalogue
  • About
    • News
    • Zip Finance
    • FAQ
    • About YCF
    • Contact Us
    • Become A Dealer
0
YCF Australia
0
Search
  • Models
    • YCF Electric Balance Bikes
    • SUNDAY MOTORS
    • LIMITED EDITION
    • 50
    • ELECTRIC
    • LITE
    • START
    • PILOT
    • FACTORY
    • BIGY
    • SM (SUPERMOTO)
    • YCF GP
  • Shop Parts & Accessories
    • Air Filters
    • Bash Plates
    • Batteries
    • Bearings
    • Bling Parts
    • Brake Discs & Pads
    • Brake Pedals
    • Brake Systems
    • Cables & Hoses
    • Carbies
    • CDI's
    • Chains & Guides
    • Clearance
    • Clutch
    • Cylinder & Cyl Heads
    • Daytona Parts
    • Electrical
    • Engine Cases & Covers
    • Engine Parts
    • Exhausts
    • Footpegs
    • Frame Parts
    • Front Forks
    • Fuel Caps
    • Fuel Line
    • Fuel Tanks
    • Gaskets & Seals
    • Gear Levers
    • Gearbox
    • Graphics Kits
    • Grips
    • Handguards
    • Handlebars
    • Levers
    • Lighting
    • Merchandise
    • Oil Coolers
    • Oil Filters
    • Paddock Accessories
    • Piston Kits
    • Plastic kits
    • Plastics
    • Rear Shock
    • Seats
    • Spark Plugs
    • Sprockets
    • Starting
    • Sub-Frames
    • Supermoto
    • Swingarms
    • Throttles
    • Timing
    • Tools
    • Triple Clamps
    • Tyres & Tubes
    • Wheels
    • YCF Complete Engines
    • GenuineParts Finder
    • Shop AllParts and Accessories
    • Gift Vouchers
    • Clearance
  • Find A Dealer
  • Catalogue
  • About
    • News
    • Zip Finance
    • FAQ
    • About YCF
    • Contact Us
    • Become A Dealer
PARTS FINDER
Reset
  • Home
  • START
  • 2025
  • START 110SE
  • OEM Parts

OEM Parts

Show Filters

Sort

Refine

  • Brand
    • YCF Genuine (36)
  • Price
  • Clear all filters
01 Handle Bar Assembly
25_START_110SE_OEM-1
$0.00

01 Handle Bar Assembly

02 Steering Stem Assembly
25_START_110SE_OEM-2
$0.00

02 Steering Stem Assembly

03 Front Fender
25_START_110SE_OEM-3
$0.00

03 Front Fender

04 Front & Rear Absorber
25_START_110SE_OEM-4
$0.00

04 Front & Rear Absorber

05 Front Brake Assy
25_START_110SE_OEM-5
$0.00

05 Front Brake Assy

06 Front Wheel Assy
25_START_110SE_OEM-6
$0.00

06 Front Wheel Assy

07 Fuel Tank
25_START_110SE_OEM-7
$0.00

07 Fuel Tank

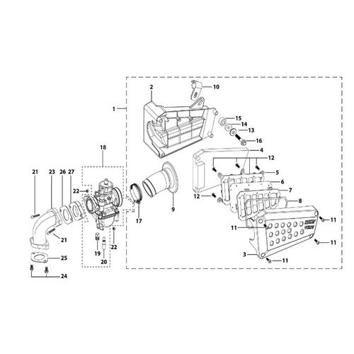
08 Air Filter
25_START_110SE_OEM-8
$0.00

08 Air Filter

09 Foot Peg Assy
25_START_110SE_OEM-9
$0.00

09 Foot Peg Assy

10 Swing Arm Assy
25_START_110SE_OEM-10
$0.00

10 Swing Arm Assy

11 Rear Wheel Assy
25_START_110SE_OEM-11
$0.00

11 Rear Wheel Assy

12 Rear Brake
25_START_110SE_OEM-12
$0.00

12 Rear Brake

13 Exhaust System
25_START_110SE_OEM-13
$0.00

13 Exhaust System

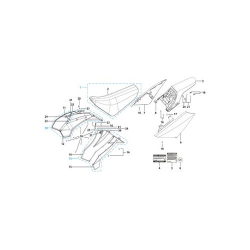
14 Seat & Plastic Kit
25_START_110SE_OEM-14
$0.00

14 Seat & Plastic Kit

15 Electric
25_START_110SE_OEM-15
$0.00

15 Electric

16 Frame
25_START_110SE_OEM-16
$0.00

16 Frame

17 Graphics
25_START_110SE_OEM-17
$0.00

17 Graphics

18 Engines
25_START_110SE_OEM-18
$0.00

18 Engines

19 Catalogues
25_START_110SE_OEM-19
$0.00

19 Catalogues

30 Cylinder Head Assy
25_START_110SE_ENG-1
$0.00

30 Cylinder Head Assy

31 Cylinder Assembly
25_START_110SE_ENG-2
$0.00

31 Cylinder Assembly

32 Valve Mechanism
25_START_110SE_ENG-3
$0.00

32 Valve Mechanism

33 Right Crankcase Cover
25_START_110SE_ENG-4
$0.00

33 Right Crankcase Cover

34 Left Crankcase Cover
25_START_110SE_ENG-5
$0.00

34 Left Crankcase Cover

  • 1
  • 2
JOIN THE YCF FAMILY
Interest Free Finance
Interest Free Finance

20 Months Interest Free Available

Need Assistance?
Need Assistance?

Online chat available

Secure Checkout
Secure Checkout

With Multiple Payment Options

YCF

YCF

  • Models
  • About us
  • Find a Dealer
  • Become a Dealer

Shop

Shop

  • Grips
  • Levers
  • Wheels
  • Bling Parts
  • Merchandise

Help

Help

  • FAQ
  • Contact Us
  • About Zip
  • Return Policy
  • Shipping Policy
  • Privacy Policy
  • Warranty

Dealers

Dealers

  • YCF Dealer Hub
©2026 YCF. All Rights Reserved.
ABN: 24168926216
Site design by

Terms & Conditions

Welcome to our website. If you continue to browse and use this website, you are agreeing to comply with and be bound by the following terms and conditions of use, which together with our privacy policy govern YCF Australia’s relationship with you in relation to this website. If you disagree with any part of these terms and conditions, please do not use our website.

The term ‘YCF Australia’ or ‘us’ or ‘we’ refers to the owner of the website whose registered office is 1/19 Expansion Street, Molendinar QLD 4214. Our ABN is 24168926216. The term ‘you’ refers to the user or viewer of our website.

The use of this website is subject to the following terms of use:

  • The content of the pages of this website is for your general information and use only. It is subject to change without notice.
  • Neither we nor any third parties provide any warranty or guarantee as to the accuracy, timeliness, performance, completeness or suitability of the information and materials found or offered on this website for any particular purpose. You acknowledge that such information and materials may contain inaccuracies or errors and we expressly exclude liability for any such inaccuracies or errors to the fullest extent permitted by law.
  • Your use of any information or materials on this website is entirely at your own risk, for which we shall not be liable. It shall be your own responsibility to ensure that any products, services or information available through this website meet your specific requirements.
  • This website contains material which is owned by or licensed to us. This material includes, but is not limited to, the design, layout, look, appearance and graphics. Reproduction is prohibited other than in accordance with the copyright notice, which forms part of these terms and conditions.
  • All trademarks reproduced in this website, which are not the property of, or licensed to the operator, are acknowledged on the website.
  • Unauthorised use of this website may give rise to a claim for damages and/or be a criminal offence.
  • From time to time, this website may also include links to other websites. These links are provided for your convenience to provide further information. They do not signify that we endorse the website(s). We have no responsibility for the content of the linked website(s).
  • Your use of this website and any dispute arising out of such use of the website is subject to the laws of Australia.

Privacy Policy

This privacy policy sets out how we uses and protects any information that you give us when you use this website.

We are committed to ensuring that your privacy is protected. Should we ask you to provide certain information by which you can be identified when using this website, then you can be assured that it will only be used in accordance with this privacy statement.

We may change this policy from time to time by updating this page. You should check this page from time to time to ensure that you are happy with any changes.

What we collect

We may collect the following information:

  • name and job title

  • contact information including email address

  • demographic information such as postcode, preferences and interests

  • other information relevant to customer surveys and/or offers

What we do with the information we gather

We require this information to understand your needs and provide you with a better service, and in particular for the following reasons:

  • Internal record keeping.

  • We may use the information to improve our products and services.

  • We may periodically send promotional emails about new products, special offers or other information which we think you may find interesting using the email address which you have provided.

  • From time to time, we may also use your information to contact you for market research purposes. We may contact you by email, phone, fax or mail. We may use the information to customise the website according to your interests.

Security

We are committed to ensuring that your information is secure. In order to prevent unauthorised access or disclosure, we have put in place suitable physical, electronic and managerial procedures to safeguard and secure the information we collect online.

How we use cookies

A cookie is a small file which asks permission to be placed on your computer's hard drive. Once you agree, the file is added and the cookie helps analyse web traffic or lets you know when you visit a particular site. Cookies allow web applications to respond to you as an individual. The web application can tailor its operations to your needs, likes and dislikes by gathering and remembering information about your preferences.

We use traffic log cookies to identify which pages are being used. This helps us analyse data about webpage traffic and improve our website in order to tailor it to customer needs. We only use this information for statistical analysis purposes and then the data is removed from the system.
Overall, cookies help us provide you with a better website by enabling us to monitor which pages you find useful and which you do not. A cookie in no way gives us access to your computer or any information about you, other than the data you choose to share with us.
You can choose to accept or decline cookies. Most web browsers automatically accept cookies, but you can usually modify your browser setting to decline cookies if you prefer. This may prevent you from taking full advantage of the website.

Links to other websites

Our website may contain links to other websites of interest. However, once you have used these links to leave our site, you should note that we do not have any control over that other website. Therefore, we cannot be responsible for the protection and privacy of any information which you provide whilst visiting such sites and such sites are not governed by this privacy statement. You should exercise caution and look at the privacy statement applicable to the website in question.

Controlling your personal information

You may choose to restrict the collection or use of your personal information in the following ways:

  • whenever you are asked to fill in a form on the website, look for the box that you can click to indicate that you do not want the information to be used by anybody for direct marketing purposes

  • if you have previously agreed to us using your personal information for direct marketing purposes, you may change your mind at any time by writing to or emailing us.

We will not sell, distribute or lease your personal information to third parties unless we have your permission or are required by law to do so. We may use your personal information to send you promotional information about third parties which we think you may find interesting if you tell us that you wish this to happen.

If you believe that any information we are holding on you is incorrect or incomplete, please write to or email us as soon as possible at the above address. We will promptly correct any information found to be incorrect.

We take all reasonable steps to keep secure any information which we hold about you. Personal information may be stored both electronically on our computer system, and in hard-copy form. Firewalls, 2048 Bit v3 SSL encryption, passwords, anti-virus software and email filters act to protect all our electronic information.

We do not store credit card information, we securely submit credit card information to our bank for processing.

 

YCF Australia is committed to providing quality services to you and this policy outlines our ongoing obligations to you in respect of how we manage your Personal Information.

We have adopted the Australian Privacy Principles (APPs) contained in the Privacy Act 1988 (Cth) (the Privacy Act). The NPPs govern the way in which we collect, use, disclose, store, secure and dispose of your Personal Information.

A copy of the Australian Privacy Principles may be obtained from the website of The Office of the Australian Information Commissioner at https://www.oaic.gov.au/.

What is Personal Information and why do we collect it?

Personal Information is information or an opinion that identifies an individual. Examples of Personal Information we collect includes names, addresses, email addresses, phone and facsimile numbers.

This Personal Information is obtained in many ways including interviews, correspondence, by telephone and facsimile, by email, via our website www.ycf-riding.com.au, from your website, from media and publications, from other publicly available sources, from cookies and from third parties. We don’t guarantee website links or policy of authorised third parties.

We collect your Personal Information for the primary purpose of providing our services to you, providing information to our clients and marketing. We may also use your Personal Information for secondary purposes closely related to the primary purpose, in circumstances where you would reasonably expect such use or disclosure. You may unsubscribe from our mailing/marketing lists at any time by contacting us in writing.

When we collect Personal Information we will, where appropriate and where possible, explain to you why we are collecting the information and how we plan to use it.

Sensitive Information

Sensitive information is defined in the Privacy Act to include information or opinion about such things as an individual's racial or ethnic origin, political opinions, membership of a political association, religious or philosophical beliefs, membership of a trade union or other professional body, criminal record or health information.

Sensitive information will be used by us only:

•           For the primary purpose for which it was obtained

•           For a secondary purpose that is directly related to the primary purpose

•           With your consent; or where required or authorised by law.

Third Parties

Where reasonable and practicable to do so, we will collect your Personal Information only from you. However, in some circumstances we may be provided with information by third parties. In such a case we will take reasonable steps to ensure that you are made aware of the information provided to us by the third party.

Disclosure of Personal Information

Your Personal Information may be disclosed in a number of circumstances including the following:

•           Third parties where you consent to the use or disclosure; and

•           Where required or authorised by law.

Security of Personal Information

Your Personal Information is stored in a manner that reasonably protects it from misuse and loss and from unauthorized access, modification or disclosure.

When your Personal Information is no longer needed for the purpose for which it was obtained, we will take reasonable steps to destroy or permanently de-identify your Personal Information. However, most of the Personal Information is or will be stored in client files which will be kept by us for a minimum of 7 years.

Access to your Personal Information

You may access the Personal Information we hold about you and to update and/or correct it, subject to certain exceptions. If you wish to access your Personal Information, please contact us in writing.

YCF Australia will not charge any fee for your access request, but may charge an administrative fee for providing a copy of your Personal Information.

In order to protect your Personal Information we may require identification from you before releasing the requested information.

Maintaining the Quality of your Personal Information

It is an important to us that your Personal Information is up to date. We will take reasonable steps to make sure that your Personal Information is accurate, complete and up-to-date. If you find that the information we have is not up to date or is inaccurate, please advise us as soon as practicable so we can update our records and ensure we can continue to provide quality services to you.

Policy Updates

This Policy may change from time to time and is available on our website.

Privacy Policy Complaints and Enquiries

If you have any queries or complaints about our Privacy Policy please contact us at:

1/19 Expansion St, Molendinar QLD 4214
accounts@lowryaustralia.com.au     
07 3518 4000

Availability Information

In-Stock

BOOM!  Product is IN STOCK and ready to go! Orders placed before 12pm weekdays (QLD Time) will be dispatched the same day.
You can decide at checkout between standard or express shipping.
For further information see our shipping policy.
 

Backorder

DAMN IT!! Product is currently NIL STOCK and therefore will need to be backordered. However don't worry as our parts team puts in the hard yards to get stock here FAST!
In the case of Genuine YCF spare parts we air freight regularly so turnaround time from order date is typically within 4 weeks.
Sometimes quicker if we already have stock in transit.
Shipping is only paid once so any backordered items are sent on arrival without additional charges.

If you would like more clarity it's best to reach out via our webchat or you can email our parts interpreters.

Afterpay

Shop Now. Pay Later.
Always interest-free.

Add your favourites to cart

Select Afterpay at checkout

Log into or create your Afterpay account, with instant approval decision

Your purchase will be split into 4 payments, payable every 2 weeks

All you need to apply is to have a debit or credit card, to be over 18 years of age, and to be a resident of country offering Afterpay

Late fees and additional eligibility criteria apply. The first payment may be due at the time of purchase
For complete terms visit afterpay.com/terms