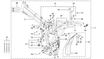
16 Frame

COMPONENTS

0 COMPLETE FRAME BIGY 2020

YC110-1621-0201-BK
COMPLETE FRAME BIGY 2020
Backorder
Qty On Image 1
RRP

$599.01

1 YCF CHAIN TENSIONER COMPONENT NYLON 2020>>

YC110-2201-02
YCF CHAIN TENSIONER COMPONENT NYLON 2020>>
In Stock
Qty On Image 1
RRP

$19.00

2 FLAT WASHER D10MMXD17MMX2MM FOR CHAIN TENSIONER

GB97-D10-W
FLAT WASHER D10MMXD17MMX2MM FOR CHAIN TENSIONER
Backorder
Qty On Image 1
RRP

$2.00

3 SPLIT PIN 2.0×25

GB91-d2x25-W
SPLIT PIN 2.0×25
Backorder
Qty On Image 1
RRP

$1.95

4 PLASTIC CAP FOR SWING ARM THREAD

YC110-1607-03
PLASTIC CAP FOR SWING ARM THREAD
Backorder
Qty On Image 2
RRP

$2.00

5 REAR FRAME PART STEEL BIGY

YC110-1614-08-BK
REAR FRAME PART STEEL BIGY
In Stock
Qty On Image 1
RRP

$199.00

6 SET OF ALUMINIUM ENGINE MOUNTS 2020>

YC110-1622-04
SET OF ALUMINIUM ENGINE MOUNTS 2020>
Backorder
Qty On Image 1
RRP

$75.00

7 ENGINE ALUMINIUM MOUNT LEFT SILVER 2020>

YC110-1615-05
ENGINE ALUMINIUM MOUNT LEFT SILVER 2020>
Backorder
Qty On Image 1
RRP

$55.00

8 ENGINE ALUMINIUM MOUNT RIGHT SILVER 2020>

YC110-1616-05
ENGINE ALUMINIUM MOUNT RIGHT SILVER 2020>
Backorder
Qty On Image 1
RRP

$55.00

9 HEXAGON TORX SCREW WITH FLANGE M8X95MM HALF THREAD

BT08-M8X95-B-W
HEXAGON TORX SCREW WITH FLANGE M8X95MM HALF THREAD
Backorder
Qty On Image 2
RRP

$4.00

10 HEXAGON TORX SCREW WITH FLANGE M8X105MM

BT08-M8X105-B-W
HEXAGON TORX SCREW WITH FLANGE M8X105MM
Backorder
Qty On Image 1
RRP

$4.00

11 HEXAGON TORX SCREW WITH FLANGE M8X130MM

BT08-M8X130-B-W
HEXAGON TORX SCREW WITH FLANGE M8X130MM
Backorder
Qty On Image 1
RRP

$4.00

12 EXTERIOR HEX.BOLT M8X25MM

BT08-M8X25-W
EXTERIOR HEX.BOLT M8X25MM
Backorder
Qty On Image 4
RRP

$2.00

13 EXTERIOR HEX.BOLT M8X20MM

BT08-M8X20-W
EXTERIOR HEX.BOLT M8X20MM
In Stock
Qty On Image 2
RRP

$2.00

14 FLANGED NYLON LOCK NUT M8 BLUE NYLON CHROME PLATED

GB6183-M8-CR
FLANGED NYLON LOCK NUT M8 BLUE NYLON CHROME PLATED
Backorder
Qty On Image 8
RRP

$4.00

15 FLAT WASHER

YC110-0834-01
FLAT WASHER
In Stock
Qty On Image 4
RRP

$3.00

16 REAR SHOCK GUARD

YC110-0460-01
REAR SHOCK GUARD
In Stock
Qty On Image 1
RRP

$29.00

17 EXTERIOR HEX.BOLT M6X20MM

BT08-M6X20-W
EXTERIOR HEX.BOLT M6X20MM
In Stock
Qty On Image 2
RRP

$2.00

18 RUBBER WASHER 6X18X4MM

YC110-03-01
RUBBER WASHER 6X18X4MM
In Stock
Qty On Image 2
RRP

$1.95

19 CUSHION FOR SIDE PLASTIC 8.2X2

YC110-1404-01
CUSHION FOR SIDE PLASTIC 8.2X2
In Stock
Qty On Image 2
RRP

$3.00

20 COVER FOR REAR FRAME PART LEFT BIGY 2017

YC110-1634-01
COVER FOR REAR FRAME PART LEFT BIGY 2017
Backorder
Qty On Image 1
RRP

$9.00

21 CABLE TIE ADJUSTABLE BLACK

YC110-01-08-BK
CABLE TIE ADJUSTABLE BLACK
In Stock
Qty On Image 3
RRP

$5.01

Total Order
$0.00

More info.

Make 4 payments of $140.79 over 8 weeks and get it now!